欢迎光临~兴义市鑫诺工程检测有限责任公司官方网站!
语言选择:
繁體中文
Toggle navigation
导航菜单
首 页
关于我们
公司简介
企业文化
新闻资讯
公司新闻
行业动态
常见问题
业务范围
地基基础检测
钢结构检测
主体结构及装饰装修
建筑材料及构配件
建筑节能
市政工程材料
道路工程
资质荣誉
公司资质
公司荣誉
业绩展示
客户案例
合作伙伴
联系我们
下载中心
您的位置:
首页
>
新闻资讯
>
新闻资讯
>
行业新闻
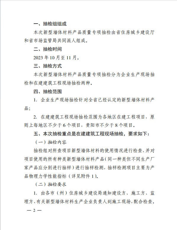
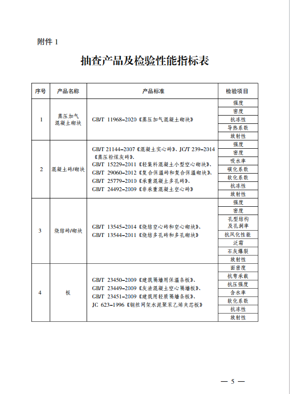
省市场监督管理局关于开展2023年新型墙体材料产品质量专项抽检的通知
行业新闻
关于加强新型墙体材料放射性指标检测的通知
检测见证取样信息化监管的通知
省市场监督管理局关于开展2023年新型墙体材料产品质量专项抽检的通知
联系我们
手机:13885964555
电话:0859-3120557
邮箱:386701609@qq.com
地址:贵州省黔西南布依族苗族自治州兴义市桔山办埂坡七组(洒雨湾安置区)
首页
手机
分类
顶部
关闭
关闭
用手机扫描二维码
关闭